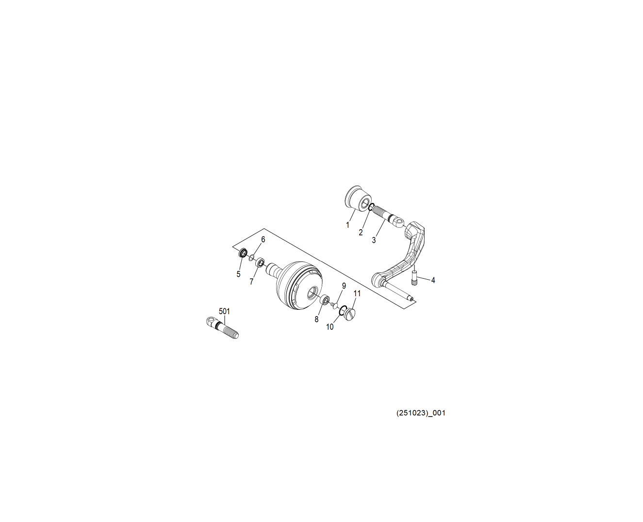
| 26夢屋SWパワーハンドル85 R | ||||||||
|---|---|---|---|---|---|---|---|---|
| 商品コード: 049896 | ||||||||
![]() |
||||||||
| 番号 | S Part No. |
品目名 | 本体価格 (税込) |
番号 | S Part No. |
品目名 | 本体価格 (税込) |
|
| 0001 | 14A3R | ハンドル軸ツバ組 | 3410 | 0007 | 105BN | ボールベアリング(5×9×3) | 1375 | |
| 0002 | 10LAA | Oリング | 110 | 0008 | 10KX1 | ボールベアリング(4×9×4) | 1375 | |
| 0003 | 146WL | ハンドル軸 | 1540 | 0009 | 103E9 | 固定ボルト | 110 | |
| 0004 | 10E85 | 固定ボルト | 605 | 0010 | 10LAB | Oリング | 110 | |
| 0005 | 147FX | ハンドルノブシール | 770 | 0011 | 10B2B | ハンドルキャップ | 605 | |
| 0006 | 104FH | 座金 | 220 | 0501 | 1485B | ハンドル軸(右)組 | 1650 | |